PDP-11 Extended Instruction Set Repair (Done Live)
In this page I have recorded my precess of when I fixed the EIS board in realtime while on Discord. The fix was simple and took approximately 2 1/2 hours.
7:28PM - Running Tests
So, for some context, I have just run BQEAC1 (Basic PDP 11/40 diagnostic test). Typically, diagnostic tests run forever, or they stop on the first error. In this case, it stopped on 012764.

7:35PM - Checking Test Listing
If we compare it to the listing, we find which test failed.

But what I really wanted to show you is that at the top (in blue and green) are the relevant microcode addresses for this test. The second part in green tells you what sheet it's on. So in this case, Flow Sheet 1, 6 and 10.
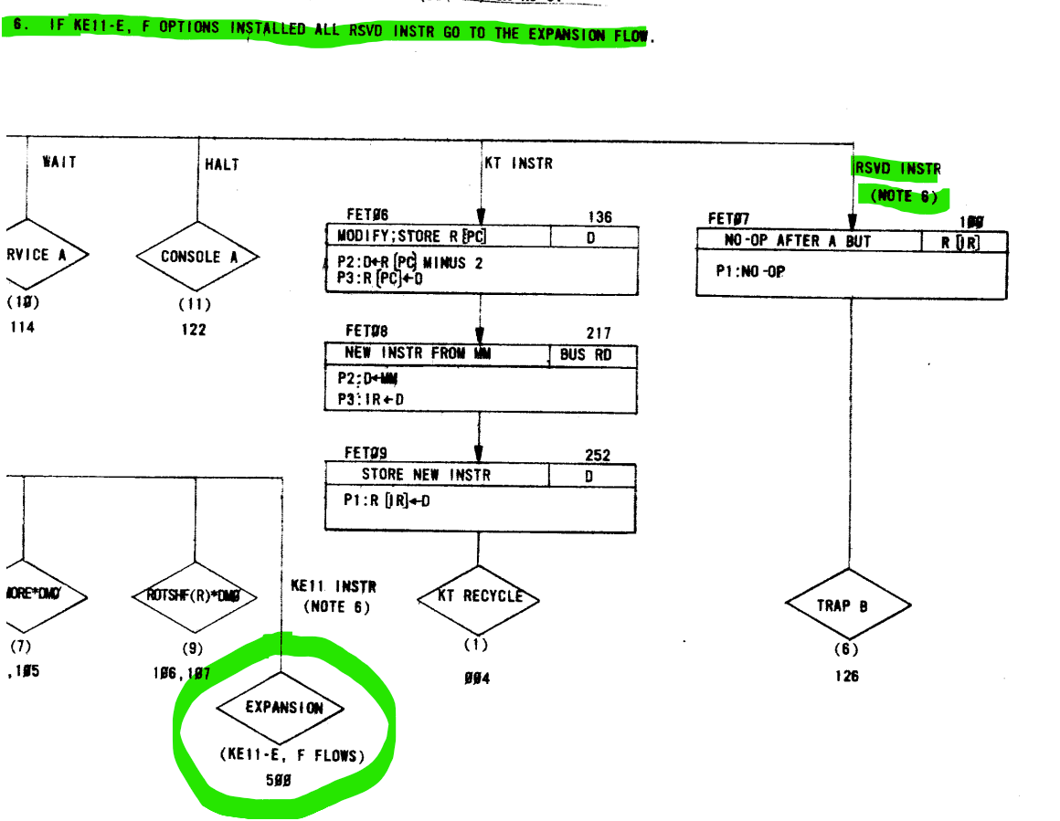
7:49PM - Checking Microcode Flows
Doing as it says, I have gone to look at Flow Sheet 1, and look what I find.

The EIS and FIS schematics and flows are in separate documents. Gunkies has nice links to all the docs you might want to look at. You will also want the PDP11 Diagnostic Database.
8:47PM - Checking Microcode Flows Con
Did a quick test and it branched to the wrong place. 642 not 640.

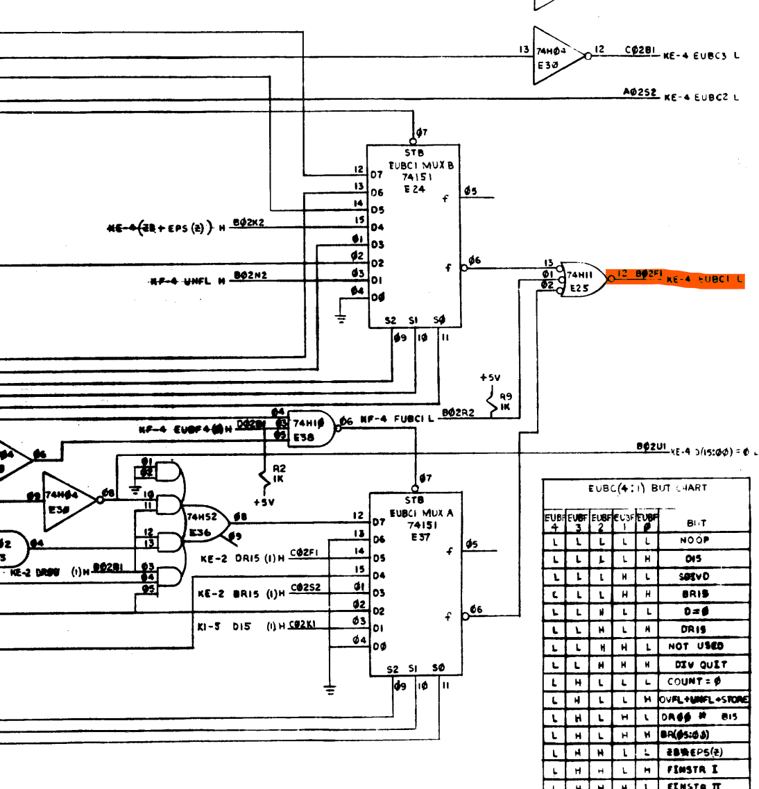
So the discrepancy is in UPP1. I know the issue is with the EIS board, so EUBC1 (Extended Micro Branch Control) must be the issue.

9:40PM - Pinpointing the Fault
So the BUT the checks for RSVD is BUT(EISR I). There is a table for the MUX settings from the uROM. In this case, it's 111.
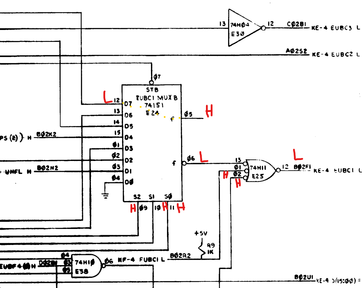
Just did a quick check, Surprise surprise, the MUX chip is dead.

Aftermath
The 74151 mux was replaced the EIS was able to pass its tests.